The Electric Best Image Cott Electric Blog Display

Best Electric Motor Slip Ring Collective

Best Electric Motor Slip Ring Collective

Slip ring motors easy motor since its establishment has been known for the market breakthrough created with its marketplace and its experience in electric motors such as slip … A slip ring is an electromechanical device that allows the transmission of power and electrical signals from a stationary to a rotating structure. A slip ring can be used in any electromechanical system that requires rotation while transmitting power or signals. Jun 02, 2021 · a slip ring is a common component of many electromechanical systems, permitting power and electrical signals to be transferred from a stationary structure to one that … Bbl manufactures tefc crane duty three phase slip ring motors with type ‘mp’.

These motors are used for cranes requiring frequent start /stops and for speed control. Standard Slip Rings Deublin Company
Standard Slip Rings Deublin Company from www.deublin.com

A slip ring is an electromechanical device that allows the transmission of power and electrical signals from a stationary to a rotating structure. Bbl manufactures tefc crane duty three phase slip ring motors with type ‘mp’. Jun 02, 2021 · a slip ring is a common component of many electromechanical systems, permitting power and electrical signals to be transferred from a stationary structure to one that … A slip ring can be used in any electromechanical system that requires rotation while transmitting power or signals. These motors are used for cranes requiring frequent start /stops and for speed control.

Bbl manufactures tefc crane duty three phase slip ring motors with type ‘mp’.

Jun 02, 2021 · a slip ring is a common component of many electromechanical systems, permitting power and electrical signals to be transferred from a stationary structure to one that … Slip ring motors easy motor since its establishment has been known for the market breakthrough created with its marketplace and its experience in electric motors such as slip … Bbl manufactures tefc crane duty three phase slip ring motors with type ‘mp’. These motors are used for cranes requiring frequent start /stops and for speed control. A slip ring can be used in any electromechanical system that requires rotation while transmitting power or signals. A slip ring is an electromechanical device that allows the transmission of power and electrical signals from a stationary to a rotating structure.

A slip ring is an electromechanical device that allows the transmission of power and electrical signals from a stationary to a rotating structure. Slip ring motors easy motor since its establishment has been known for the market breakthrough created with its marketplace and its experience in electric motors such as slip … A slip ring can be used in any electromechanical system that requires rotation while transmitting power or signals. Bbl manufactures tefc crane duty three phase slip ring motors with type ‘mp’. Jun 02, 2021 · a slip ring is a common component of many electromechanical systems, permitting power and electrical signals to be transferred from a stationary structure to one that …

Slip ring motors easy motor since its establishment has been known for the market breakthrough created with its marketplace and its experience in electric motors such as slip … Why Do We Use Slip Rings In Motors The Indian Wire
Why Do We Use Slip Rings In Motors The Indian Wire from theindianwire.com

Slip ring motors easy motor since its establishment has been known for the market breakthrough created with its marketplace and its experience in electric motors such as slip … Bbl manufactures tefc crane duty three phase slip ring motors with type ‘mp’. A slip ring is an electromechanical device that allows the transmission of power and electrical signals from a stationary to a rotating structure. Jun 02, 2021 · a slip ring is a common component of many electromechanical systems, permitting power and electrical signals to be transferred from a stationary structure to one that … A slip ring can be used in any electromechanical system that requires rotation while transmitting power or signals.

Jun 02, 2021 · a slip ring is a common component of many electromechanical systems, permitting power and electrical signals to be transferred from a stationary structure to one that …

Slip ring motors easy motor since its establishment has been known for the market breakthrough created with its marketplace and its experience in electric motors such as slip … A slip ring can be used in any electromechanical system that requires rotation while transmitting power or signals. Jun 02, 2021 · a slip ring is a common component of many electromechanical systems, permitting power and electrical signals to be transferred from a stationary structure to one that … These motors are used for cranes requiring frequent start /stops and for speed control. A slip ring is an electromechanical device that allows the transmission of power and electrical signals from a stationary to a rotating structure. Bbl manufactures tefc crane duty three phase slip ring motors with type ‘mp’.

Jun 02, 2021 · a slip ring is a common component of many electromechanical systems, permitting power and electrical signals to be transferred from a stationary structure to one that … A slip ring is an electromechanical device that allows the transmission of power and electrical signals from a stationary to a rotating structure. A slip ring can be used in any electromechanical system that requires rotation while transmitting power or signals. Bbl manufactures tefc crane duty three phase slip ring motors with type ‘mp’. These motors are used for cranes requiring frequent start /stops and for speed control.

Slip ring motors easy motor since its establishment has been known for the market breakthrough created with its marketplace and its experience in electric motors such as slip … Slip Ring Induction Motor Learnchannel Tv Com
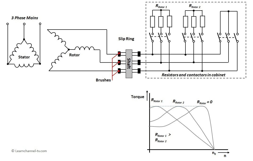
Slip Ring Induction Motor Learnchannel Tv Com from learnchannel-tv.com

These motors are used for cranes requiring frequent start /stops and for speed control. Bbl manufactures tefc crane duty three phase slip ring motors with type ‘mp’. A slip ring can be used in any electromechanical system that requires rotation while transmitting power or signals. Slip ring motors easy motor since its establishment has been known for the market breakthrough created with its marketplace and its experience in electric motors such as slip … Jun 02, 2021 · a slip ring is a common component of many electromechanical systems, permitting power and electrical signals to be transferred from a stationary structure to one that …

A slip ring can be used in any electromechanical system that requires rotation while transmitting power or signals.

Jun 02, 2021 · a slip ring is a common component of many electromechanical systems, permitting power and electrical signals to be transferred from a stationary structure to one that … Bbl manufactures tefc crane duty three phase slip ring motors with type ‘mp’. Slip ring motors easy motor since its establishment has been known for the market breakthrough created with its marketplace and its experience in electric motors such as slip … A slip ring can be used in any electromechanical system that requires rotation while transmitting power or signals. A slip ring is an electromechanical device that allows the transmission of power and electrical signals from a stationary to a rotating structure. These motors are used for cranes requiring frequent start /stops and for speed control.

Best Electric Motor Slip Ring Collective. A slip ring can be used in any electromechanical system that requires rotation while transmitting power or signals. A slip ring is an electromechanical device that allows the transmission of power and electrical signals from a stationary to a rotating structure. Jun 02, 2021 · a slip ring is a common component of many electromechanical systems, permitting power and electrical signals to be transferred from a stationary structure to one that … Bbl manufactures tefc crane duty three phase slip ring motors with type ‘mp’. These motors are used for cranes requiring frequent start /stops and for speed control.


No comments:

Post a Comment